AlFI brand ABTPNC88 Stainless Steel Recessed Toilet Paper Holder Niche
AlFI brand ABTPNC88 Stainless Steel Recessed Toilet Paper Holder Niche
Unlike traditional niches that require extra labor and expensive tile work, this one-of-a-kind niche is fully finished and ready to mount into your wall opening. This versatile niche design can be used as a toilet paper holder, or simply as extra storage space /w hook. Available in several different finishes; you'll save hundreds of dollars over tiled niches and enjoy the sleek modern appearance of stainless steel.
This ALFI brand ABTPN88 large vertical stainless steel wall niche offers the practical convenience of recessed shelving, with a built-in toilet paper holder and shelf for your phone or other small items. Additionally, this niche can be used as a space saving solution for soaps, shampoos, and other shower essentials near your bathtub or shower - utilizing the hook for hanging a washcloth or loofah. Sleek stainless steel provides durability and longevity, enhancing your bathroom design with modern appeal for years to come. Available in a variety of finishes to match any decor.
Features:
- This wall niche is designed to hold a toilet paper roll - but can also be used for a variety of other applications within your bathroom; serving as stylish additional-shelving for hand towels, soaps, bottles, etc.
- Modern Black finish designed to match all other fixtures in your bathroom.
- Sturdy 20 gauge welded construction which is about 1 mm thickness.
- Includes adhesive strips on the back edges and easy-to-follow instructions for fast 3 step installation.
- Made of solid 304 series stainless steel which is waterproof and rustproof. Ideal for a moist environment.
- Installs between studs for a neat, recessed appearance.
- Please note that the shampoo, soap and other accessories shown in some of the images are for demonstration purposes only and are not included.
Specifications:
- Installation Type: Recessed
- Material: Stainless Steel
- Theme: Modern
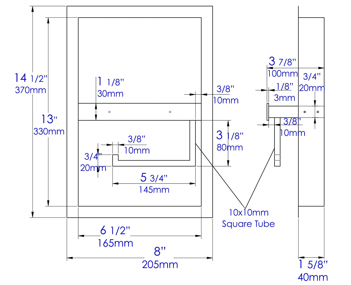
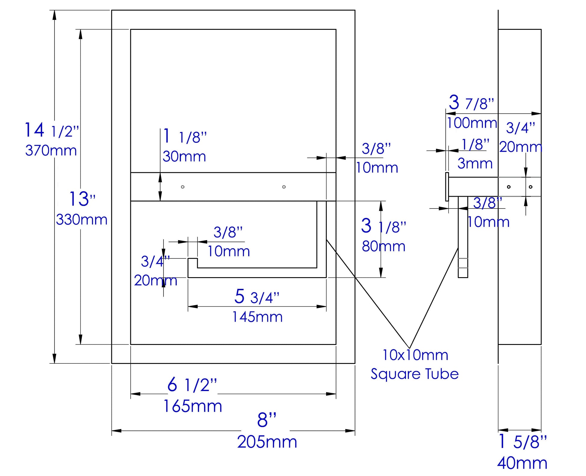
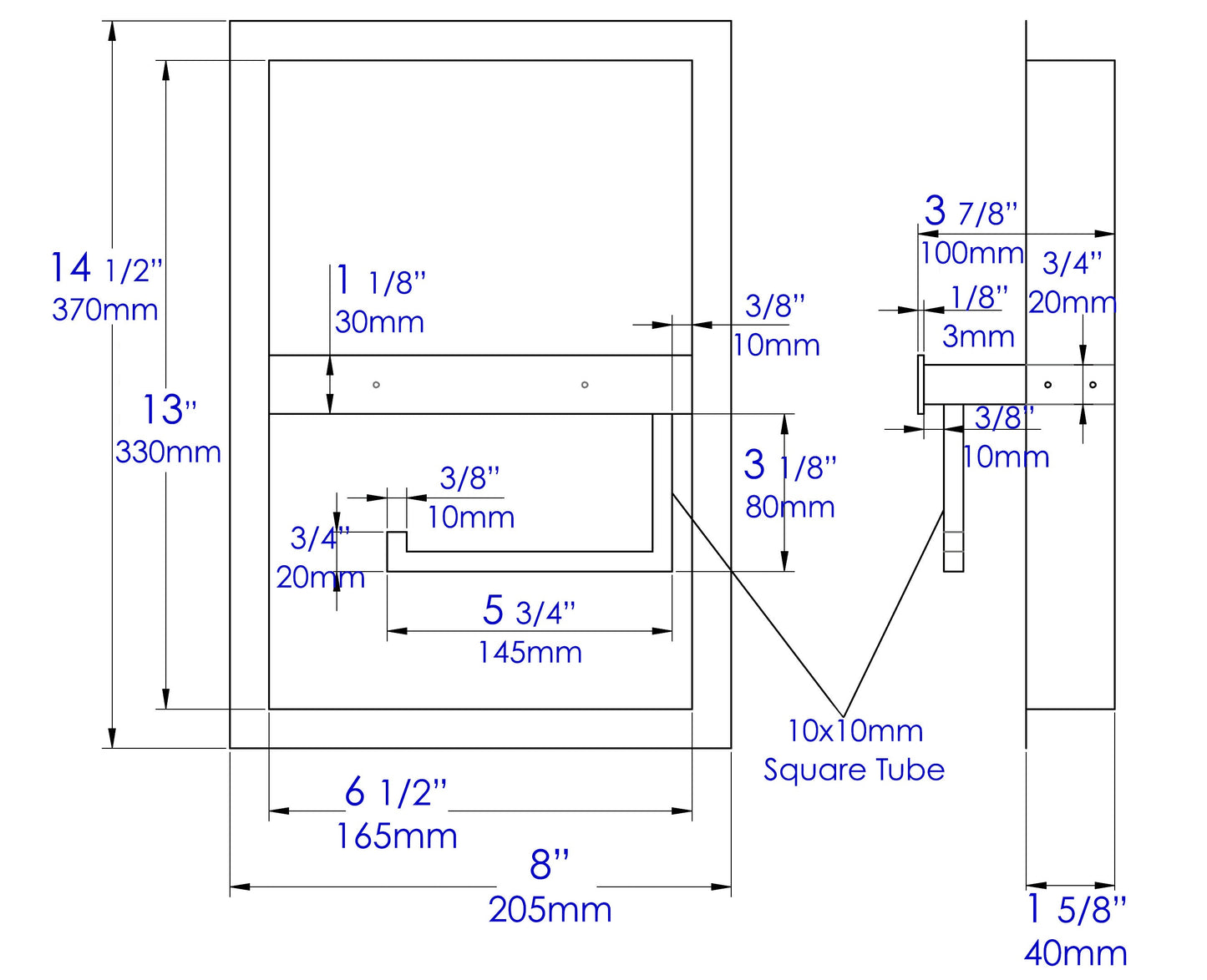
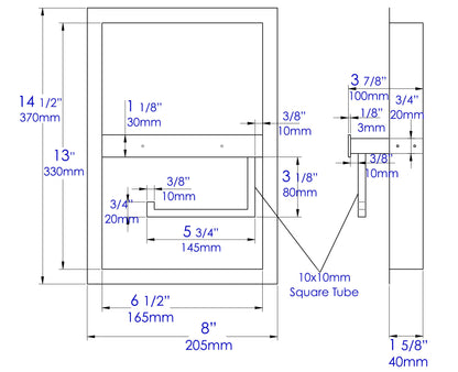
- Depth: 1.625
- Dimensions: 14.5 x 8 x 3.9
- Inner Dimensions: 13 x 6.5 x 1.625
- Inner Length: 13
- Inner Width: 6.5
- Item Weight: 2.65
- Gauge: 19
- Number of Shelves: 1
- Warranty: 1 Year
Download Dimensions Data Sheet
Download Installation Data Sheet
Download Warranty Data Sheet
Product features
Product features
Materials and care
Materials and care
Merchandising tips
Merchandising tips
Share













